PRODUCTOS

2000L tanques de fermentación abiertos para tequila

Un tanque de fermentación de tequila de 2000 litros es un recipiente especializado de tamaño mediano a grande diseñado para el proceso de fermentación del agave, con estas características clave:
1. Fabricado en acero inoxidable 316L de grado alimenticio para resistir el ambiente ácido del mosto de agave, evitar contaminación y garantizar una fácil limpieza y desinfección entre lotes.
2. Equipado con sistemas de agitación (mecánicos o neumáticos) para mezclar uniformemente los azúcares del agave, la levadura y el agua, promoviendo una fermentación consistente y maximizando el rendimiento de alcohol.

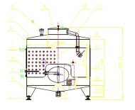
DESCRIPCIÓN DEL PRODUCTO

Un tanque de fermentación de tequila de 2000 litros es un recipiente especializado de tamaño mediano a grande diseñado para el proceso de fermentación del agave, con estas características clave:

1. Fabricado en acero inoxidable 316L de grado alimenticio para resistir el ambiente ácido del mosto de agave, evitar contaminación y garantizar una fácil limpieza y desinfección entre lotes.

2. Equipado con sistemas de agitación (mecánicos o neumáticos) para mezclar uniformemente los azúcares del agave, la levadura y el agua, promoviendo una fermentación consistente y maximizando el rendimiento de alcohol.

3. Integrado con componentes de control de temperatura (chaquetas o serpentines) para mantener el rango óptimo de 28–32°C, crítico para la actividad de la levadura del tequila y prevenir la producción de sabores no deseados.

4. Diseñado con sellos herméticos y válvulas de alivio de presión; los sellos retienen el dióxido de carbono para mejorar la eficiencia de la fermentación, mientras que las válvulas de alivio garantizan una operación segura al liberar el exceso de presión.

5. Incluye accesorios prácticos como grandes portillos para la carga/descarga del mosto de agave, puertos de muestreo para monitorear los niveles de azúcar/alcohol y válvulas de drenaje para facilitar la eliminación de residuos, adaptándose a las necesidades de las destilerías de tequila pequeñas y medianas.


Tanques de fermentación de tequila de 2000L con tapa abierta


NO.

Artículo

Modelo

Cantidad

Especificaciones técnicas

Fotos

1. Sistema de fermentación

01

Tanques de fermentación de tequila de 2000L con tapa abierta


2000L

1pcs

• Acero inoxidable 304

• Tapa cónica centrada

• Válvula de muestreo

• Ensamblaje de salida de vino y drenaje

• Revestimiento completamente soldado

•Tapa de portillo superior

• Portillo redondo lateral

• Sonda RTD

• Válvulas de mariposa de 2″

• PVRV de 2″

• Termómetro bimetálico

aebf7ff36d1737f8c820d9037a867676


Obtener un presupuesto

ENVIAR

Embalaje y envío

  • Imagen de WeChat_20260106111249_4703_51
  • Imagen de WeChat_20251218115158_917_58
  • Tanques empaquetados2
  • {19A05451-3BBE-4256-91BE-DCB54A4256E8}
  • Imagen de WeChat_20251215092419_4177_51
  • Imagen de WeChat_20260117103431_1293_58
  • Imagen de WeChat_20250811092913_158_75
  • Paquete de gabinete1